X = either way only moves clockwise
y = either way only moves colckwise
z= moves fine both direction
a= either way only moves clock wise
b = moves fine both direction
You can either send it back in, or pull off the left side black plastic plug on the stepper driver ports of the bad acting ports. Looking for a short or pins touching. The left side bottom left pin controls direction.
Are the second and 3rd pins touching?
If nothing looks out of place I can send you a label so I can swap it out.
I will need your order number.
I appreciate the troubleshooting.
no ter not can i check continuity some how
You just need to look at it. The picture is too blurry to tell.
What about the left side of all the other drivers?
[quote=“Ryan, post:205, topic:39575, username:vicious1”]
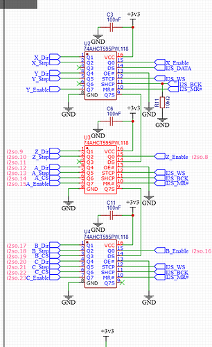
So we had a bad shift register, maybe even two now. Y1 did not change direction, all the other stepper ports worked as expected, no signs of solder blobs or bad pins under the header, the driver was swapped.
[/quote] could this be the problem
Maybe, Send me your order number and I will send a return label.
XY and A are on different chips, unless somehow you got two bad ones. Which is very unlikely.
26402
email sent for a free USPS flat rate small box.
Okay, I just did some testing on this board.
- The firmware was all messed up, but starting fresh did not fix it.
- One driver is completely dead, it also did not have a heatsink so I think this was known. Did not fix it.
- Two of the drivers had bend pins from the SKR, touching the capacitors. Did not fix it.
- The power port was busted loose, resoldered.
The X, Y, and A ports are only move one direction. Very odd. I checked all the pins under a microscope, the drivers and shift registers chips no signs of issue. I even hit those direction pins with solder and flux just in case. swapped the ESP, checked all the header pins on everything, no issues
Either there are a couple bad VIA’s, or two bad shift registers? That is a head scratcher for sure.
Peter, I am emailing you now.
Mystery nearly solved.
3 drivers are bad, they either do not change direction or they make others misbehave. Very very odd driver issue.
The jackpot, memory card, and ESP32 are all tested perfect. Just these 4 drivers, one that is completely dead.
Are these drivers you supplied?
What version/config exactly are they?
They look normal. The UART pins are not soldered, so that is good / normal. I will put them under the microscope later, but I am not seeing anything obvious. For 3 to have similar issues and the 4th to be dead it had to happen after it left here.
Yeah, something bad happened to these along the way somewhere. But, it’s a weird failure mode as most of the things I can think of that can cause that should’ve impacted the Jackpot and/or ESP-32.
Very strange.
closing old topic to help fight spambots



