KiCAD schematics/PCB and PCB changes

Personally, I’m comfortable recommending the approach of just trying it and then falling back to shielding and good EMC practises if needed. Differential comms aren’t the be-all and end-all of avoiding EMC issues, they just give you more noise immunity for the line itself, doing nothing for noise conducted into the rest of the circuit etc.

I definitely don’t believe it’ll add ‘just a few $’, given the move to a non-standard cable and requirement for more complex connectors/terminations etc.

I love using differential drivers for things I need to be noise immune over distance, I’m just firmly in the ‘it’s overkill’ camp to prevent a problem that has not currently proven itself evident at all.

If the system fails enough that a workpiece gets butchered due to a single rare SPI event then that sounds more like poor systems integration, to me. But either way, each to their own, I guess.

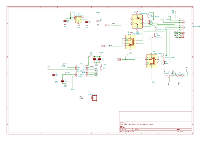
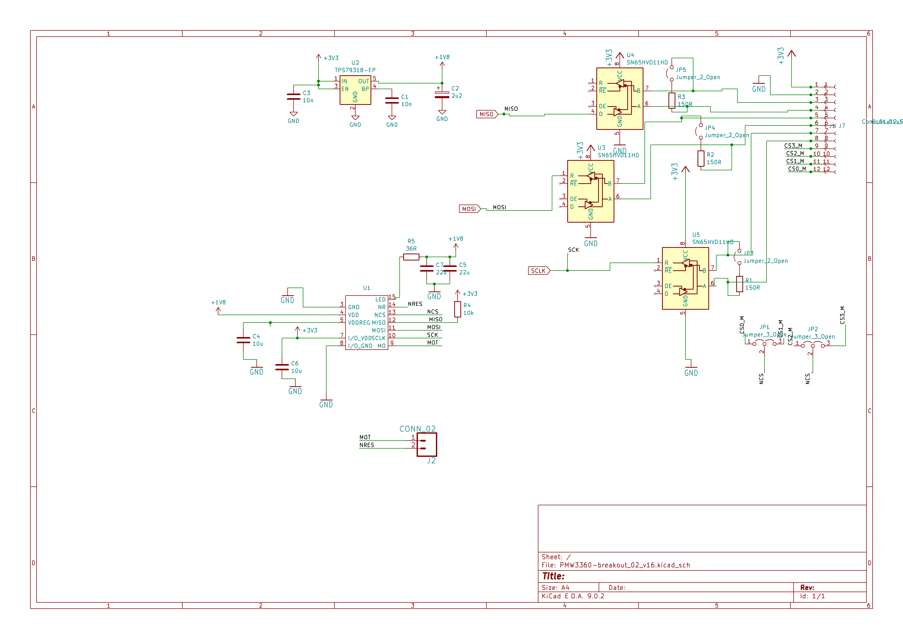
I designed an RS422 version of the sensor board. Instead of connecting each sensor board directly to the main PCB, the new design allows for daisy chaining the sensor boards. It utilizes JST SH 1mm connectors, which can still be crimped at home. You’ll need a 12-pair twisted cable instead of an Ethernet cable, but these are readily available on AliExpress, so that shouldn’t be an issue. Additionally, the board includes jumpers for selecting the terminal resistor for the RS422 connection and jumpers for choosing the CS.

Furthermore, I’ve designed the board to accommodate the PAW3395DM-T6QU sensor instead of the PMW3360. The PAW3395DM offers significantly improved resolution (26,000 CPI compared to 12,000 CPI), although it operates at a 10 MHz SPI clock frequency, which I wouldn’t feel comfortable transmitting over standard SPI therefore the RS422. Fortunately, the price difference is quite reasonable. On AliX the PAW3395DM-T6QU is actually cheaper.

For the 3.3V to 1.8V conversion, I’m using a TPS79318, which should provide a stable 1.8V output.

I also designed the board to primarily use basic components from the JLC library, which does not cost a setup fee, helping to reduce costs. The RS422 interface adds approximately €0.16 each, resulting in an additional €0.48 for each sensor board (3x needed per sensor board), which I believe is well worth it. This design also saves considerable space on the main PCB, as it requires only one connector.

Also the PAW3395DM-T6QU has the same pinout as the PWM3360.

I apologize for the messy schematic; I haven’t had the chance to make it look good yet.

Very cool, excited to see updates!