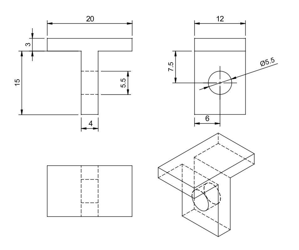
Today went to use my Primo and found that 3 of the four stops for the dual end stop system had broken (see photo). That is, the little clamps that the limit switches hit. This seems to be the most fragile part in the system so I decided to replace them with something mostly not 3d printed. I happen to have a handful of one inch cable clamps (my pipes are one inch). I printed a set of T shaped items that the clamp will hold and provide the target for the limit switches. It works great and as the band is injection molded it should not snap like the printed ones. The pictures should explain it all.
My last set I printed out of PETG and as far as I know they are still hanging on. But its been a while since I have ran my primo so who knows.
I like your idea. As long as it grips the pipe enough to not move it should be perfect
those broke on mine as well. I figured it was from being in the garage at subzero temperatures… easy enough to reprint, but your solution is a better long-term fix.
Same here. ![]()
I had multiple break as well so I ended up wrapping a hose clamp around the broken piece and tightened them down. Lol. My solution worked but I like your idea better.
.
Me three.
I thought about hose clamps also but then I found the cable ties and decided they would be easier. They hold very tight because I played with them and realized my added 3d printed T would work best if it was 4 mm thick. This allowed the cable tie to hold the T but also grip the pipe well. If your pipe or conduit is not 1 inch in diameter you may have to design a different T piece, maybe one that provides a shim for the cable tie.
Rereading this topic I see that several people say they had no problem with the original design when printed in PETG. They are probably right. My original stops were printed in PLA with a .8mm nozzle and maybe the nozzle changed the characteristics of the part as well. Maybe Cura changed the thickness to the nearest .8mm layer.
But I am sticking with the cable ties because I have had PETG stretch and deform over time on other projects and I think the cable ties will be more stable.
I know I, and I believe everyone else had no intention of taking anything from your post at all. I was just expressing an additional option was all.
I believe the PLA ones have an issue being that thin, and people (me included) tend to over tighten them. Then throw in temperature swings in an unconditioned shop/garage and that becomes too much for them
No I did not see it as taking anything away. It’s good to have alternatives. PETG will probably work for most people. The comment about garages is also true. I live in southern AZ and my garage can get over 100 F and that is one reason I’m using the cable clamps. So I see three good solutions in this thread: PETG, cable camps and hose clamps (which I almost used). One of these is going to solve the problem when it occurs.



